Descripción
Válvulas esférica Polipropileno conexión bridada
Sobre dimensionadas en espesores hasta ahora nunca logrados y construidas en polipropileno sin carga, lo que garantiza un perfecto funcionamiento. Las De rápida apertura necesitando solo un cuarto de vuelta desde la posición de apertura a cierre total. Se caracteriza por tener una pérdida de carga despreciable debido a su pasaje de apertura total y superficie lisa.
Características generales:
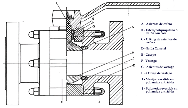
Cuerpo y Bridas: Polipropileno.
Esfera Autocentrante: Polipropileno o PTFE con coke.
Asientos: PTFE.
Bulonería: Revestida en poliamida antiácida.
Anillo de Cierre: Vitón.
O´Ring de Asientos: EPDM.
Condición de Trabajo: 5Kg/cm2 a 75ºC – 10Kg/cm2 a 20ºC.
(consulte la tabla de resistencias químicas)

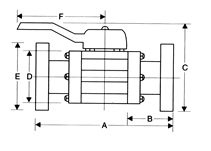
| Dimensiones | |||||||
| Ø | 1/2″ | 3/4″ | 1″ | 1 1/2″ | 2″ | 3″ | 4″ |
| A | 173 | 173 | 205 | 222 | 245 | 294 | 364 |
| B | 69 | 69 | 76 | 82 | 87 | 93 | 132 |
| C | 121 | 126 | 160 | 176 | 190 | 258 | 273 |
| D | 73 | 73 | 100 | 100 | 127 | 173 | 172 |
| E | 95 | 105 | 115 | 150 | 165 | 200 | 223 |
| F | 135 | 135 | 175 | 175 | 175 | 214 | 214 |
Una válvula de bola es conocida también como de válvula de esfera, la cual, tiene un mecanismo que sirve para regular el flujo de un fluido canalizado y se caracteriza porque el mecanismo regulador situado en el interior tiene forma de esfera perforada.
En la válvula esférica un macho esférico agujereado controla la circulación del líquido o fluido, por lo tanto, este tipo de válvulas representan una excelente opción en el sellado, pues la bola contacta de forma circunferencial y uniforme el asiento, el cual suele ser de materiales blandos.
Usos y aplicaciones de las válvulas de bola
Las aplicaciones más frecuentes de las válvulas de bola son:
– Obertura o cierre
– Servicio de conducción y corte, sin estrangulación
– Apertura rápida
– Moderar temperaturas
– Resistencia mínima a la circulación

